EN

Y5W、Y10W系列 (出口型)

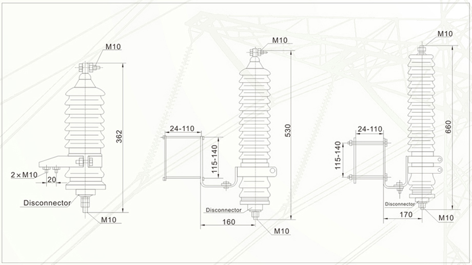
  • 外型尺寸
  • 主要技术参数

微信
咨询

加我微信
加我微信